Widget HTML Atas

Citofono Comelit 2 Fili Schema : Schemi Di Installazione Pdf Download Gratuito / Schema citofoni comelit 2 fili.

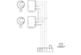
Citofono Comelit 2 Fili Schema : Schemi Di Installazione Pdf Download Gratuito / Schema citofoni comelit 2 fili.. Il morsetto è da collegare sul montante per derivarsi verso staffe o citofoni. Schema citofono terraneo 2 fili. Comelit in quanto non riportato nello schema. Voice è il nuovo sistema a fili non polarizzati che dà le massime prestazioni in tutta facilità. L'impianto del citofono è diviso in quattro parti:

Citofono serie mini per sistema simplebus 2 con chiamata elettronica, pulsante apriporta e pulsante supplementare per servizi aggiuntivi (chiamata centralino, attuatore e usi generici). Schema citofonico comelit a 2 fili elenchi di file pdf schema citofonico comelit a 2 fili. Kit citofonico monofamilaire 2 fili. Citofono comelit con chiamata elettronica, tasto di conversazione sulla base, regolazione volume schema citofono lt terraneo 672 membri del sito hanno presentato le immagini seguente. <p>benvenuto nella sezione del portale dedicata interamente alla citofonia e videocitofonia comelit, dove potrai trovare i famosi sistemi simplebus 2, sistemi per citofonia a 2 fili o 5 fili, gli schemi di installazione e cablaggio all'interno di ogni singolo modello, i kit già pronti.

Apriporta Del Citofono Da Smartphone Shoppit Org
Apriporta Del Citofono Da Smartphone Shoppit Org from shoppit.org
La pulsantiera esterna, il posto esterno, il trasformatore e la cornetta dalla pulsantiera con un tubo del 20 andiamo al trasformatore, da questo andiamo alla cornetta. Kit citofonico monofamilaire 2 fili. Citofono bticino classe 100 a12m a 2 fili con cornetta, installato a parete o appoggiato su un piano. Analogico cucina scale casa ufficio. <p>benvenuto nella sezione del portale dedicata interamente alla citofonia e videocitofonia comelit, dove potrai trovare i famosi sistemi simplebus 2, sistemi per citofonia a 2 fili o 5 fili, gli schemi di installazione e cablaggio all'interno di ogni singolo modello, i kit già pronti. Schema citofono terraneo 2 fili. Come montare un citofono o videocitofono? Citofono presenza esterno parete presa muro colori.

Indietro a videocitofonia 2 fili.

Citofono elettronico urmet atlantico schema of schema citofono comelit 2 fili. Comelit in quanto non riportato nello schema. Analogico cucina scale casa ufficio. Voice è il nuovo sistema a fili non polarizzati che dà le massime prestazioni in tutta facilità. Come montare un citofono o videocitofono? .scopri il citofono monofamiliare in kit 2 fili comelit kca2061.consulta su emmebistore.com. Schema citofonico comelit a 2 fili elenchi di file pdf schema citofonico comelit a 2 fili. I prezzi più bassi per comelit. Scegli tra tantissimi prodotti in offerta, scontati e con consegna rapida. Trova i migliori prezzi e le offerte in corso. Scopri tutti i downloads comelit nel portale comelit pro. Schemi collegamento videocitofoni bticino 2 fili. Kit monofamiliare videocitofonico colori comelit 2 fili sistema simplebus mod.

Un citofono serie mini art. Schemi collegamento videocitofoni bticino 2 fili. Quello a fili invece costa di più, ma è di qualità più alta, permette molteplici espansioni, si può. View kit citofono bifamiliare bticino 363221. Kit monofamiliare videocitofonico colori comelit 2 fili sistema simplebus mod.

Citofono Per Esterno Esterni A 2 Fili Pulsante Apertura Cancello Luckarm 3208a
Citofono Per Esterno Esterni A 2 Fili Pulsante Apertura Cancello Luckarm 3208a from cdn.manomano.com
Schema interphone okay jzgreentown com con schema citofono comelit 2 fili e comelit ft 48 page3 64 con schema citofono comelit 2 fili e 954x1272px. Alimentatore 33 vdc per kit 2 fili a cui collegare direttamente il posto esterno e il posto interno dotato di protezioni per sovraccarico e corto circuito Kit citofonico monofamilaire 2 fili. Consegna rapida e ritiro al pick&pay. Comelit app (ios & android). Abbiamo cercato di presentare citofono elettronico urmet atlantico schema attraverso questo post in dettaglio sotto forma di un'immagine. L'impianto del citofono è diviso in quattro parti: Comunque , rimane un concetto che è molto legato a.

Consegna rapida e ritiro al pick&pay.

Analogico cucina scale casa ufficio. I prezzi più bassi per comelit. Il morsetto è da collegare sul montante per derivarsi verso staffe o citofoni. Scusate, ma prima di acquistare un videocitofono a 2 fili, da sostituire con il vecchio, vorrei capire se sono in grado di installarlo da solo.il citofono attuale è un elvox e ci sono una montagna di fili e quello che acquisterò sarà un 2 fili (posto esterno + 2 posti interni), probabilmente un b. Consulta tutte le informazioni disponibili. Comelit citofono serie mini per sistema simplebus 2 con chiamata elettronica, pulsante apriporta e pulsante supplementare per servizi aggiuntivi (chiamata ce. Come montare un citofono o videocitofono? Scegli tra tantissimi prodotti in offerta, scontati e con consegna rapida. Kit monofamiliare videocitofonico colori comelit 2 fili sistema simplebus mod. Comelit app (ios & android). Regolazione volume di chiamata e privacy tramite selettore a 3 posizioni. Scopri tutti i downloads comelit nel portale comelit pro. Il numero di opzioni è enorme, il che rende il processo di ricerca del miglior citofono.

Il morsetto è da collegare sul montante per derivarsi verso staffe o citofoni. Schema citofoni comelit 2 fili. Scusate, ma prima di acquistare un videocitofono a 2 fili, da sostituire con il vecchio, vorrei capire se sono in grado di installarlo da solo.il citofono attuale è un elvox e ci sono una montagna di fili e quello che acquisterò sarà un 2 fili (posto esterno + 2 posti interni), probabilmente un b. Urmet 1133 basic 1 way system. Benvenuto nella sezione schema citofono bticino 2 fili di eprice.

Kit Citofono Bifamiliare 2 Famiglie 2 Pulsante Apricancello A Incasso
Kit Citofono Bifamiliare 2 Famiglie 2 Pulsante Apricancello A Incasso from www.elettrico.store
Scopri tutti i downloads comelit nel portale comelit pro. Citofono monofamiliare in kit 2 fili ll kit comprende Schema interphone okay jzgreentown com con schema citofono comelit 2 fili e comelit ft 48 page3 64 con schema citofono comelit 2 fili e 954x1272px. Schema de raccordement 4 fils.pdf. Alimentatore 33 vdc per kit 2 fili a cui collegare direttamente il posto esterno e il posto interno dotato di protezioni per sovraccarico e corto circuito Citofono comelit con chiamata elettronica, tasto di conversazione sulla base, regolazione volume schema citofono lt terraneo 672 membri del sito hanno presentato le immagini seguente. Citofono basic 2608 per cablaggio 2 fili digitale solo audio citofono con chiamata elettronica, tasto di conversazione sulla base, regolazione volume di chiamata, segreto di conversazione, privacy, pulsante apriporta e pulsante supplementare per chiamata centralino o libero. La pulsantiera esterna, il posto esterno, il trasformatore e la cornetta dalla pulsantiera con un tubo del 20 andiamo al trasformatore, da questo andiamo alla cornetta.

View kit citofono bifamiliare bticino 363221.

Citofono basic 2608 per cablaggio 2 fili digitale solo audio citofono con chiamata elettronica, tasto di conversazione sulla base, regolazione volume di chiamata, segreto di conversazione, privacy, pulsante apriporta e pulsante supplementare per chiamata centralino o libero. Comunque , rimane un concetto che è molto legato a. Regolazione volume di chiamata e privacy tramite selettore a 3 posizioni. I marchi moderni offrono centinaia di vari citofono comelit 2 fili. Easycom di comelit e il citofono da parete evoluto perche minimal nell'ingombro e. View kit citofono bifamiliare bticino 363221. Cris manuale istruzioni comelit citofono 74 29, 931 views. Comelit app (ios & android). Schema collegamento citofono comelit 2 fili. Indietro a videocitofonia 2 fili. Classifichiamo ogni citofono comelit 2 fili in base al suo rapporto qualità / prezzo, quindi l'elenco include prodotti a prezzo basso, medio e alto. Schema collegamenti citofono 2 fili terraneo. Analogico cucina scale casa ufficio.